| 品牌Warex Valve | 有效期至長期有效 | 最后更新2024-02-19 15:16 |
| 瀏覽次數14 |
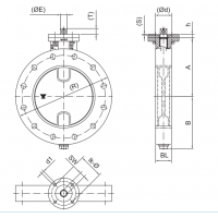
warex蝶閥DKD 103-DN 300用于散裝物料
Warex Valve GmbH公司簡介
Warex Valve GmbH 是一家中型獨立公司。在超過55年的生產和銷售中積累的蝶閥領域的專業知識展示了
我們廣泛的產品和產品范圍,這些產品和產品都是在我們自己的德國生產工廠生產的,位于Bösensell(明斯特蘭)。
我們的產品在國內外的分銷主要直接面向OEM客戶以及商業終端用戶。對于意大利、荷蘭和法國等國,我們與代表合作。
蝶閥金屬密封DKD
除了軟座襟翼(彈性體內襯)外,還制造了金屬密封襟翼。根據設計和公稱直徑,
它們具有高達 2% 的泄漏(面積當量)。這些阻尼器優選用于高溫。特殊版本可用于高達 1100 °C 的溫度。
襟翼也經常用作散裝物料的筒倉封口,特別是當避免產品被密封件的橡膠磨損污染時。

特性
根據型號的不同,它可用于高達 1100 °C 的溫度
貫穿式或鉸鏈式阻尼器的泄漏率為 0.5% 至 2%
提供符合 DIN 12266 泄漏率 B 的密封性雙偏心阻尼器
通常比軟座阻尼器使用壽命更長
對于大公稱直徑,比軟座阻尼器更具成本效益
在中心設計中,低扭矩(取決于產品)
還提供防爆型,用于 0/20 區,符合型式檢驗 BVS03AtexH026X,
軸和閥頭設計用于構建各種驅動選項,接口符合 DIN/ISO 5211 標準
設計
蝶閥,金屬密封,全法蘭設計 – 用于關閉和控制高達 280 °C。
公稱通徑范圍:DN 50 – DN 1200
工作溫度:-40°C 至 +280°C
密封圈鋼/不銹鋼
泄漏:約 0.5 % – 2 % – 面積當量
技術服務
制造非常適合操作要求的閥門
創建精確的計算和特定應用的設計
從閥門調試到調試,包括稱職的售后服務,提供出色的客戶支持
warex蝶閥DKD 103-DN 300用于散裝物料
| 盧歡歡 QQ:1569261908 手機:18510339394 電話:010-64714988-177 傳真:010-84786709-667 郵件:sales23@handelsen.cn |
![]() |
![]() |
工作日
9:00-18:00