 
               | 品牌Warex Valve | 有效期至長期有效 | 最后更新2023-10-27 16:36 | 
| 瀏覽次數1 | 
我們的團隊目前有 40 多名員工,其中一些人已在公司工作了 45 年以上,我們在森登生產基地生產管件的歷史已超過 55 年。
我們致力于培訓和職業發展。超過 1/3 的員工接受過我們的培訓,并成為 Warex 團隊的一員。無論是機械工程領域的工業技工培訓,還是機械工程領域的技術產品設計師培訓,抑或是工業文員培訓,所有這些都是對我們的挑戰和支持。我們是一支積極進取的高素質團隊。我們高素質、靈活的員工讓成功和客戶滿意成為可能。
客戶咨詢服務 篩選和檢查查詢
貢獻數十年經驗(團隊討論)
進行計算和針對具體應用的設計
根據操作要求制造閥門
根據要求,在閥門安裝和調試階段提供客戶支持
一般信息
對夾式蝶閥 DKZ 103
103 系列蝶閥是適用于 DIN EN 1092 標準法蘭的密封對夾式蝶閥,其絕對密封性符合 DIN EN 12266 標準泄漏率 A 的要求。 閥體為一體式,密封圈與閥體牢固地硫化在一起。該蝶閥適用于固體和液體介質以及氣體介質,溫度范圍為 -40 至 +200 攝氏度。
特點
免維護設計,無需后續潤滑固有穩定性高的殼體
帶側向凸起和附加密封條的密封圈可確保法蘭之間的完美密封,而無需附加法蘭密封件防爆設計適用于 0/20 區,包括型式認證軸端和閥體設計用于安裝各種執行器選件接口符合 DIN/ISO 5211 標準
DKZ 103 DZ-P
帶氣動旋轉執行機構和定位器的蝶閥。
公稱尺寸范圍:DN 50 - DN 1200
工作溫度:-40C 至 + 200C*
壓差:最高 16 bar*
可更換或牢固硫化的閥環
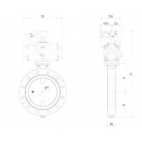
DKZ 103 E
帶電動執行機構的蝶閥。
公稱尺寸范圍: DN 50 - DN 1200
工作溫度:- 40C 至 + 200°C*
壓差:最高 16 bar*
可更換或牢固硫化的閥環
| 王鈳深 QQ:2455880176 手機:18510519230 電話:010-64714988-191 傳真:010-84786709-667 郵件:sales5@handelsen.cn |  |  | 
 
        
        
        工作日
9:00-18:00